历经考验,永久信赖!
—— PRODUCTS CENTER ——
国威GW2000(2)电话交换机参数:
1:铁壳19寸4U机架式语音通信设备,采用先进的双CPU多处理器、分散式管理构架方案技术、结构模块化、内外线可扩展。外线最大支持32外线,分机最大支持256分机、19个业务槽位、1个内外线复用槽位、设备具备门锁接口、广播接口、语音接口、PC管理口等,支持分机自改分机号编程功能。
2:支持开机自动测试各部分硬件的故障,并能自动屏蔽、提醒用户损坏的模块的自检测冗错功能。
3:支持外线忙音检测,32路无阻塞通话,提供RJ45外线端口、支持32条模拟中继接入、反极转换,扫描局端接入状态,实时信号回送。
4:支持分机板提供4个RJ45分机端口、为16部分机提供分机端口,具备分机状态跟踪并自检。
5:支持DOD2+BID进网、内部分机挂机、中继立即释放的接续、复原的多方控制系统,确保系统稳定运行。
6:支持4总机循环、4路7段270秒录音语音话务员。
7:支持256方电话会议系统、呼叫转移(外转外)功能。
8:支持智能话务台实时监控语音系统功能。(提供智能语音分析唤醒控制系统计算机软件著作证明)
9:支持灾难逃生、紧急撤离、疏散、热线报警等应急系统。
10:支持办公、酒店管理系统,日服、夜服、节假日作息语音管理功能。
11:支持用户预设报警、SOS求救等,提机直接呼叫功能。
12:支持电脑管理、远程维护。
13:支持专用话机功能。
14:需提供国家《YD344-90用户交换机进网要求》的与需求设备型号完全一致的国家进网证资质证书、并提供证书查询、提供品牌商标注册证、确保所供产品为原厂正品。
15:语音业务:二次来显、2-6位不等号分机并存、语音报号、弹性编码、分机分组、门禁开锁、分机热线、日夜服务循环、智能值班、呼叫转移、代接、强插、监听、三方通话、缩位拨号、语音叫醒、灾难逃生、通话计费、酒店管理、断电记忆、广播功能、随时密码、分区振铃、IP拨号。
16:尺寸:42.5cm*35cm*17.5cm(长*宽*高)、电源:110V-220V、功耗:100W、馈电:25mA±15%、谐波失真≦10%。
17:广泛应用于政府、军队、公安、监狱、金融、校园、办公、酒店、高速、铁路、电力、部队、煤矿、化工、冶金等各领域。
国威GW2000(2)电话交换机特色功能:
开机自检测冗错功能:
本系统具有强大的自检测功能,能自动测试各部分硬件的故障,并能自动屏蔽损坏的模块,方便用户随时了解系统的使用情况,保证系统的正常运行,必要时还可以通过PC管理软件进行检测,方便维护及检修。
无阻塞通话:
本系统共有32路绳路,分机板、外线板、主板均配有多个收号器,发号器,系统采用分布式控制结构,信号音不占用任何绳路,保证所有绳路有效使用到通话中。
忙音检测:
本系统具自动检测中继忙音信号功能,当外线用户挂断电话后,系统能立即检测到中继忙音,而对相应中继拆线并释放中继线路,以此防止中继线一直占用,无法再次使用问题。
语音及显示报号:
本系统具有使用语音或用来电显示的方式查询分机号码,方便系统的安装维护,同时也可以查询系统的版本、系统时间。
叫醒服务:
可通过分机自设、总机设置或PC设置的方式设置闹钟,同时可以将电脑话务固定区的第8段语音设置成叫醒提示语音,也可以自行设置自录区的任意一段设置成叫醒提示语音(在分机叫醒振铃中提机听到提示语音)。
内部及二次来显功能:
采用全新的来电显示控制技术,可实现内部拨打来电显示,外部来电可准确接收,兼容FSK/DTMF双制式,可任意传送到各振铃分机,包括转移,来电号码同时发送到PC控制软件进行显示保存。
灾难逃生:
为用户提供具备权限的总机输入代码后,本系统内所有分机分机振铃,分机提机后,将听到系统推送的“这是紧急警报,请全体人员立即安全疏散”的预录语音(可自录),减少火灾、地震等灾难来临时造成的人员伤亡,特别适合酒店、井矿、金融等人员集中的场景。
自动呼叫转移(外转外):
分机可以设置离位(直接)、遇忙、无人接听转移到其他分机、其他外线座机、指定手机上,确保用户不会漏接重要电话。
人工转移功能:
内外线均具有转移功能,具有直接转、征询转等功能,可以转移到分机,也可以转移到分机组,也可以转移到外线上。
强大的PC控制软件:
本系统能实时显示系统各分机的工作状态,显示外线工作状态,包括打入打出,能实时将打入的电话号码显示并记录,系统还可对打入打出的电话号码进行灵活管理。
电话会议:
系统支持256方电话会议系统。(外线用户+内线用户之和)
外接音乐接口:
可让用户随意使用外部音乐为系统保留、转移的音源。
广播接口:
通过此接口,用户可以使用外部广播系统进行呼叫寻人。
灵活的设置方式:
本系统可以通过编程分机进行设置也可以通过PC管理软件进行设置,编程分机设置均具有单个或批量的设置指令。
完善的总机功能:
总机有保留、代接、代拨、经理秘书,本系统可以设置成多至四个总机,配合总机的遇忙离位转移功能,能满足不同的需求。总机还具有编程设置、强插、强拆等功能。
灵活的分机号码设置(弹性编码):
本系统可以设置2至6位不等位分机号码,并存。
分组功能:
本系统可设置多至32组外线组或分机组,供分机呼叫、外线呼入、呼出、转移等使用。
日夜服务功能:
系统内置实时时钟,可根据需求对日夜呼出等级、呼入分机、呼出外线权进行自动切换,具有午餐时间及周末(含周六周日)模式的设置。系统也具有通过总机人工操作切换的功能。
多种呼入值班模式:
包括人工齐振模式、人工轮询振模式、人工排队振模式、本机彩铃模式、呼叫中心(平均话务)模式、电脑话务员等值班模式。各种模式还具有灵活切换的功能,如电脑话务忙时自动转换成其他人工值班模式。
多种拨打外线模式:
除直接出局、间接出局拨打外线,还具有选择外线,预约外线,自动路由、自动转移外线等模式拨打外线的功能。系统在任意模式下均支持话机自动重拨功能。
多种拨打分机方式:
除直接拨打分机号码外,还具有快速拨0到总机,拨单键号到分机(或分机组)、预约拨打分机、拨打分机组等功能。
完善的电脑话务功能:
本系统多至4路的电脑话务员,固定区分8段语音,自录区录音段数分至7段,录音可以根据需求设置。提供灵活完善的话务员功能,使用户来电时在不同的状态听到不同的语音回答。
单键拨号导航:
内部呼叫及电脑值班拨号均可以采用单键拨号方式,也就是可以设置除出局、分机等特殊字头外的单键号码能对应某个分机或分机组,拨号时仅需拨一个号码就可以。
代接功能:
本系统其他分机响铃可通过本机代接,不必到响铃分机上接听,有多种代接方式,包括代接分机、代接外线保留、代接特定外线,可以满足各种需求。
分机限制功能:
系统可设置限制分机拨打外线的等级、拨打外线的时间,限制分机拨打某些外线,限制分机代接,限制分机不可以拨打内部分机、不可以转移等权限,也可以设置分机免打扰等,同时分机具有分机密码锁功能,在不使用情况下将分机锁定。
内线、外线、门口机振铃声易区分:
内部呼叫、外线呼入﹑门口机呼叫时对应分机的振铃声各不相同,让客户容易区分。
三方通话:
用户可通过系统进行两分机一外线的通话,也可通过外线呼入再转另一条外线呼出,进行两外线一分机(包括两外线单独通话)的操作。
外线通话灵活切换:
在与外线通话过程中有其他外线或门口机及分机呼叫,均可用简单的操作将现有的外线进行保留,并自动代接其他呼叫进行通话。
缩位拨号功能:
本系统可预存96组公共外线号码,分机无需记住外线号码,只要记住外线号码代号就能快速拨打外线号码。
随身密码:
本系统可设置128个密码账号,对应不同的等级,使用随身密码在任意分机拨打出去的电话均记录在此个人随身账号上。
分机热线功能:
任意分机可以设置提机自动拨打总机。
对讲、门口机功能:
本系统可以将所有分机设置成对讲模式,分机提机直接呼叫指定的振铃分机,分机可设置听保留音乐或回铃,对讲分机挂机模式有普通、DTMF码等模式,当对讲分机同时成门口机模式下,可以按代码开相对应的门锁。
门口锁、远程控制功能:
本系统可以具有四个开锁器接口,该接口也可以作为打铃或其他控制使用(远程控制、远程开锁)。
电话路由选择功能:
系统能根据设置灵活地自动采用最优资费的外线,这样可以同时使用不同运营商的中继外线,从而可以大大节省电话费用,系统最大可以设置4组特殊中继一组普通中继,每特殊中继通过16组8位字头进行判断。
IP拨号功能:
可以设置四组不同的长途IP号码对应不同的外线号码或中继线(配合路由功能),极大方便用户的使用。
PC录音监听及OGM下载:
OGM下载是将电脑录制好的语音下传到系统的语音芯片供电脑话务员使用。录音监听为选配功能,通过广播接口与PC连接,可以将需要的通话自动切换到电脑进行录音。
多种计费模式:
系统具有外线呼入计费、呼出计费的功能,能采用延时计费或反极计费的模式。
PC设置计费接口:
本系统除可在分机上进行系统设置,还可以通过PC电脑进行设置, 同时通过PC电脑进行计费统计打印工作,系统可灵活设置各种费率。在PC电脑未开启的情况下可存储多至3000条计费数据,并可断电存储,避免出现在电脑开启或出现故障时丢失计费数据的问题。
宾馆酒店管理功能:
本系统带酒店管理功能,如叫醒、押金等功能,也带有转发功能,通过网络通讯方式,将数据转发到专业的酒店管理软件。
断电记忆:
系统遇上停、断电,本机所设定的原有功能保持不变,再次通电后,不必再重复设定,即可按原来设定的功能来使用。
远端维护功能:
本机支持远端维护,进行远端编程﹑检测及维修,方便用户安装、调试,使用户得到及时有效的服务。
超强的防雷功能:
内外线接口均具有完善的防雷电路,并提供地线接口。
高效稳定的开关电源:
采用全新设计带24V后备电池接口的高效开关电源,功率高达100W以上,(110-220)V±10% 50/60Hz 自适应,适用于各种电压范围。同时带有保护功能,市电供电时电池能自动充电,断电时电池能自动向系统供电。本系统电源全部经过严格的高低压冲击老化,保证系统的正常运行。
国威GW2000(2)电话交换机宣传彩页

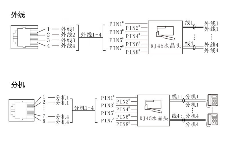
国威GW2000(2)电话交换机外线板,分机板接线

国威GW2000(2)电话交换机 电话机编程代码
查分机号:*#32#
自动选外线: 9
手动选外线:(*)#801~#832
国威GW2000(2)电话交换机 检测报告

国威GW2000(2)电话交换机说明书目录
第一章产品介绍..........................................................................................................................1
1.1概述..............................................................................................................................1
1.2主要功能特点..............................................................................................................1
1.3技术指标......................................................................................................................4
第二章系统结构与安装说明......................................................................................................5
2.1外观图..........................................................................................................................5
2.2板卡及接口说明..........................................................................................................6
2.3安装前注意事项..........................................................................................................9
2.4安装步骤(初次安装).............................................................................................9
第三章术语解释与出厂默认参数............................................................................................18
3.1名称术语....................................................................................................................18
3.2系统初始参数值(出厂状态值)...........................................................................18
第四章快速设置操作指南........................................................................................................20
4.1快速设置(首次设置方法)......................................................................................20
4.1.1进入编程状态..................................................................................................20
4.1.2开通外线端口..................................................................................................20
4.1.3外线打入使用人工接听(人工值班).........................................................20
4.1.4外线打入使用电脑话务员接听(电脑值班).............................................20
4.1.5查询分机端口号码及更改分机号码.............................................................21
4.1.5.1分机端口查询..............................................................................................21
4.1.5.2更改分机号码..............................................................................................21
4.1.6测试整个系统..................................................................................................22
4.2快速操作指南...............................................................................................................22
4.2.1打分机操作......................................................................................................22
4.2.2打总机操作......................................................................................................22
4.2.3外线打入接听操作..........................................................................................22
4.2.4打外线操作......................................................................................................23
4.2.5外线转分机操作...............................................................................................23
4.2.6代接操作..........................................................................................................23
4.2.7自动转外线操作..............................................................................................23
4.3相关章节说明...............................................................................................................24
第五章参数设置及使用方法....................................................................................................25
5.1编程设置须知..............................................................................................................25
5.1.1编程指令说明..................................................................................................25
5.1.2批量设置指令说明..........................................................................................26
5.1.3常用字母标识说明...........................................................................................26
5.2操作须知......................................................................................................................27
5.3进入/退出系统编程状态...........................................................................................27
5.3.1首次进入编程状态...........................................................................................27
5.3.2退出编程状态....................................................................................................28
5.3.3更改编程密码..................................................................................................28
2
5.3.4进入编程状态(更改密码后).....................................................................28
5.4恢复出厂状态值...........................................................................................................28
5.5系统软复位...................................................................................................................28
5.6系统时间设定...............................................................................................................28
5.6.1通过编程设置...................................................................................................29
5.6.2通过总机设置...................................................................................................29
5.7查询功能.......................................................................................................................29
5.7.1查询方法说明...................................................................................................29
5.7.2系统版本查询...................................................................................................29
5.7.3系统时间查询...................................................................................................30
5.7.4分机/系统状态查询.........................................................................................30
5.8保留音乐.......................................................................................................................30
5.8.1编程状态下监听保留音乐..............................................................................30
5.8.2话机监听保留音乐...........................................................................................30
5.9外线使用状态(开通/关闭外线)...........................................................................30
5.10分机号码/分机组号码及成员.................................................................................31
5.10.1分机号码(弹性编码)...............................................................................31
5.10.1.1单个设置分机号码....................................................................................31
5.10.1.2批量设置分机号码....................................................................................31
5.10.1.3批量设置所有分机号码............................................................................31
5.10.1.4恢复分机号码出厂值................................................................................31
5.10.1.5分机号码查询.............................................................................................32
5.10.1.6分机物理端口号及号码查询....................................................................32
5.10.2分机组号码及成员........................................................................................32
5.10.2.1分机组说明.................................................................................................32
5.10.2.2单个设置分机组号码................................................................................32
5.10.2.3批量设置分机组号码................................................................................32
5.10.2.4批量设置所有分机组号码........................................................................33
5.10.2.5恢复分机组号码出厂值............................................................................33
5.10.2.6分机组成员设置........................................................................................33
5.10.2.7清除分机组成员........................................................................................33
5.11分机出局方式............................................................................................................33
5.12总机功能.....................................................................................................................33
5.12.1设置总机.........................................................................................................33
5.12.2允许/禁止快速拨打总机..............................................................................34
5.12.3速拨总机代码设置.........................................................................................34
5.13日夜服务功能.............................................................................................................34
5.13.1日夜切换方式................................................................................................34
5.13.2设置日夜切换日期及切换时间....................................................................35
5.13.3人工切换日夜工作状态................................................................................35
5.13.4日夜服务状态相关参数................................................................................36
5.14内部呼叫....................................................................................................................36
5.14.1内部呼叫振铃时间........................................................................................36
5.14.2分机互打权限................................................................................................36
3
5.14.3呼叫分机组模式............................................................................................36
5.14.4内部呼叫操作方法.........................................................................................37
5.14.4.1拨打总机.....................................................................................................37
5.14.4.2拨打分机.....................................................................................................37
5.14.4.3拨打分机组.................................................................................................37
5.14.4.4预约内线.....................................................................................................37
5.15分机呼出(拨打外线)............................................................................................37
5.15.1普通出局码设置............................................................................................38
5.15.2呼出外线话务模式.........................................................................................38
5.15.3外线组.............................................................................................................38
5.15.4分机使用外线权限.........................................................................................38
5.15.4.1日间状态呼出外线使用权设置................................................................39
5.15.4.2夜间状态呼出外线使用权设置................................................................39
5.15.4.3呼出外线使用权案例................................................................................39
5.15.5呼出等级功能.................................................................................................40
5.15.5.1呼出等级说明.............................................................................................40
5.15.5.2A-D项限制字头设置................................................................................40
5.15.5.3特许项字头设置........................................................................................40
5.15.5.4限制/特许项字头清除.............................................................................41
5.15.5.5等级2-8特许号码使用权设置...............................................................41
5.15.5.6分机呼出等级设置....................................................................................41
5.15.5.6.1日间呼出等级设置...............................................................................41
5.15.5.6.2夜间呼出等级设置...............................................................................41
5.15.5.7等级限制使用案例....................................................................................41
5.15.6呼出限时设置.................................................................................................42
5.15.7分机拨打外线操作方法................................................................................43
5.15.7.1直接打外线.................................................................................................43
5.15.7.2拨出局码打外线.........................................................................................43
5.15.7.3选择外线(特殊号码屏蔽功能)...........................................................43
5.16外线呼入....................................................................................................................43
5.16.1设置值班方式................................................................................................44
5.16.1.1设置人工值班模式...................................................................................44
5.16.1.2设置电脑值班模式...................................................................................44
5.16.1.3设置本机彩铃模式...................................................................................44
5.16.1.4设置呼叫中心模式...................................................................................44
5.16.2外线呼入延时振铃设置...............................................................................44
5.16.3人工值班相关设置........................................................................................45
5.16.3.1日间人工振铃分机设置...........................................................................45
5.16.3.2夜间人工振铃分机设置...........................................................................45
5.16.3.3人工值班振铃模式设置............................................................................45
5.16.3.4轮询振铃轮换时间设置...........................................................................45
5.16.3.5人工值班振铃分机忙时处理....................................................................46
5.16.4呼叫中心模式相关设置...............................................................................46
5.16.5电脑话务员设置............................................................................................46
4
5.16.5.1电脑话务员启用/禁用..............................................................................47
5.16.5.2电脑话务员日夜有效值设置....................................................................47
5.16.5.3电脑话务员对应总机................................................................................47
5.16.5.4外线电脑话务员使用权............................................................................48
5.16.5.5语音段落说明.............................................................................................48
5.16.5.6电脑值班语音模式设置............................................................................48
5.16.5.7录制电脑话务员语音................................................................................49
5.16.5.8监听电脑话务员语音及音量设置............................................................49
5.16.6电脑值班相关设置........................................................................................50
5.16.6.1电脑话务员忙时处理................................................................................50
5.16.6.2电脑值班不拨号处理................................................................................50
5.16.6.3电脑值班拨错号处理................................................................................50
5.16.6.4电脑值班所拨的分机忙时处理................................................................50
5.16.6.5电脑值班振铃时间设置............................................................................51
5.16.6.6电脑值班所拨的分机无人接听处理........................................................51
5.16.7本机彩铃相关设置.........................................................................................51
5.16.7.1本机彩铃处理方式...................................................................................51
5.16.7.2本机彩铃振铃模式...................................................................................52
5.16.8外线呼入设置案例........................................................................................52
5.17快速拨号.....................................................................................................................52
5.17.1开通/关闭快速拨号功能..............................................................................53
5.17.2设置分机/分机组首位码..............................................................................53
5.17.3设置短号对应的分机/分机组......................................................................53
5.17.4清除短号对应的分机/分机组......................................................................53
5.18代接............................................................................................................................53
5.18.1分机代接等级说明.........................................................................................54
5.18.2分机代接等级设置.........................................................................................54
5.18.3代接操作方法.................................................................................................54
5.18.3.1代接某分机.................................................................................................54
5.18.3.2总代接.........................................................................................................54
5.19通话转移....................................................................................................................54
5.19.1通话转移参数设置........................................................................................55
5.19.1.1闪断时间设置.............................................................................................55
5.19.1.2设置呼出转移(代拨允许)延时时间....................................................55
5.19.1.3转移振铃时间设置....................................................................................55
5.19.1.4转移外线无人接听处理............................................................................55
5.19.1.5允许/禁止内线通话转移..........................................................................55
5.19.1.6转移操作无拨号延时处理........................................................................55
5.19.1.7转移操作拨错码或分机忙时处理............................................................56
5.19.1.8转移成功后接回处理................................................................................56
5.19.1.9允许/禁止分机转移操作(快速挂机设置)..........................................56
5.19.2转移操作方法................................................................................................57
5.19.2.1转移内外线................................................................................................57
5.19.2.2代拨外线....................................................................................................57
5
5.20分机呼叫转移............................................................................................................57
5.20.1呼叫转移相关参数.........................................................................................58
5.20.1.1无人接听转移时间....................................................................................58
5.20.1.2呼叫转移设置是否断电保存....................................................................58
5.20.1.3呼转到外线选用的外线组........................................................................58
5.20.1.4呼叫转移最大次数....................................................................................58
5.20.1.5分机本机设置呼转外线权限....................................................................58
5.20.2总机设置离位/遇忙/无人接听转移............................................................59
5.20.2.1清除所有分机的呼叫转移设置................................................................59
5.20.2.2清除某一分机的呼叫转移设置................................................................59
5.20.2.3设置某一分机离位转移到某分机............................................................59
5.20.2.4设置某一分机离位转移到外线................................................................59
5.20.2.5设置某一分机遇忙无人接转移到某分机................................................59
5.20.2.6设置某一分机遇忙无人接转移到外线....................................................59
5.20.2.7设置分机自动外转外通话时间................................................................59
5.20.2.8设置分机自动外转外语音提示功能........................................................60
5.20.3本机设置离位/遇忙/无人接听转移............................................................60
5.20.3.1取消本机呼叫转移设置...........................................................................60
5.20.3.2设置离位转移到内部分机(经理秘书电话设置)..................................60
5.20.3.3设置离位转移到外线(自动转外线)....................................................60
5.20.3.4设置遇忙无人接听转移到内部分机........................................................61
5.20.3.5设置遇忙无人接听转移到外线(自动转外线)....................................61
5.21保留外线.....................................................................................................................61
5.21.1外线保留时间设置.........................................................................................61
5.21.2保留外线操作方法.........................................................................................61
5.21.3取回保留外线操作方法................................................................................61
5.21.4快速保留切换.................................................................................................62
5.22会议电话.....................................................................................................................62
5.22.1内三方会议.....................................................................................................62
5.22.2一外线两分机三方会议................................................................................62
5.22.3两外线一分机三方会议................................................................................62
5.22.4多方会议.........................................................................................................63
5.22.5会议电话通话时间设置................................................................................63
5.23监听/强拆功能...........................................................................................................63
5.24群呼(紧急呼叫)....................................................................................................63
5.25其他分机操作.............................................................................................................64
5.25.1免打扰............................................................................................................64
5.25.2清除分机功能设置........................................................................................64
5.25.3外线呼叫切换(外线产生拍叉簧动作)........................................................64
5.25.4设置对外产生闪断时间................................................................................64
5.26内部热线功能............................................................................................................64
5.26.1开通/关闭分机热线功能.............................................................................64
5.26.2设置热线等待时间........................................................................................65
5.27特殊字头设置(IP加发/自动路由必设)............................................................65
6
5.28电话路由功能............................................................................................................65
5.28.1中继分组设置.................................................................................................66
5.28.2路由参数设置.................................................................................................66
5.28.3中继呼出限制设置(仅在路由功能有效)................................................66
5.28.4特殊中继出局码设置(人工路由专用)....................................................66
5.28.5自动路由使用说明.........................................................................................66
5.29IP加发功能设置......................................................................................................67
5.29.1IP号码设置...................................................................................................67
5.29.2开通/关闭IP加发功能...............................................................................67
5.29.3IP加发规则设置...........................................................................................68
5.29.4IP加发功能/路由功能使用案例................................................................68
5.30缩位拨号功能............................................................................................................69
5.30.1缩位号码设置................................................................................................69
5.30.2允许/禁止分机缩位拨号.............................................................................69
5.30.3缩位拨号使用方法.........................................................................................69
5.31随身密码.....................................................................................................................69
5.31.1随身密码设置.................................................................................................70
5.31.2随身密码使用方法.........................................................................................70
5.32分机密码锁.................................................................................................................70
5.32.1开通关闭分机密码锁功能............................................................................70
5.32.2设置分机密码锁状态....................................................................................70
5.32.3总机清除分机密码.........................................................................................71
5.32.4分机修改本机密码.........................................................................................71
5.32.5分机密码锁使用方法....................................................................................71
5.33闹钟功能.....................................................................................................................71
5.33.1闹钟语音提示功能设置................................................................................71
5.33.2总机设置闹钟.................................................................................................72
5.33.3总机清除闹钟.................................................................................................72
5.33.4分机设置闹钟.................................................................................................72
5.34系统广播功能.............................................................................................................72
5.34.1直接广播.........................................................................................................72
5.34.2外线转移到广播.............................................................................................72
5.35来电显示功能............................................................................................................72
5.35.1二次来电收/发号模式.................................................................................72
5.35.2内部来电显示加发字头...............................................................................73
5.35.3开通/关闭分机内部来电显示功能.............................................................73
5.36对讲功能(门口机管理)........................................................................................73
5.36.1对讲功能参数设置.........................................................................................74
5.36.2设置对讲分机.................................................................................................74
5.36.3设置门口机.....................................................................................................74
5.36.4设置对讲分机/门口机呼叫振铃分机..........................................................75
5.36.5对讲/门口机使用方法..................................................................................75
5.36.6门口锁使用方法.............................................................................................75
5.36.7直接开锁功能.................................................................................................75
7
5.36.8门锁控制特别操作.........................................................................................75
5.37计费功能.....................................................................................................................75
5.37.1计费功能系统参数........................................................................................75
5.37.2计费方式设置.................................................................................................76
5.38回内线码/功能操作码设置......................................................................................76
5.38.1设置回内线号码为*,功能操作码为#......................................................76
5.38.2设置回内线号码为#,功能操作码为*......................................................76
5.39紧急警报.....................................................................................................................77
5.40忙音检测.....................................................................................................................77
第六章PC管理软件使用说明...................................................................................................78
6.1软件安装以及界面说明..............................................................................................78
6.1.1软件安装以及联机说明..................................................................................78
6.1.2交换机与PC独立连接图................................................................................78
6.2系统运行、用户登录及通信参数设置.....................................................................79
6.2.1系统运行、用户登陆.......................................................................................79
6.2.2通信参数设置...................................................................................................79
6.2.3 ComNet默认网络参数....................................................................................79
6.2.4通过编程指令修改交换机网络参数.............................................................80
6.2.5软件主界面说明...............................................................................................80
6.3用户管理以及修改密码..............................................................................................82
6.4数据备份.......................................................................................................................82
6.4.1备份交换机的参数设置..................................................................................82
6.4.2还原交换机的参数设置..................................................................................83
6.4.3重取交换机的参数设置..................................................................................83
6.4.4更新交换机的参数设置..................................................................................83
6.5菜单栏简介...................................................................................................................83
6.6交换机参数设置...........................................................................................................83
6.7计费管理简介...............................................................................................................83
6.7.1通话话单查看...................................................................................................83
6.7.2计费资费设置...................................................................................................85
6.7.3分机用户设置...................................................................................................86
第七章使用PC管理软件设置常用功能.................................................................................87
7.1使用PC软件设置闹钟................................................................................................87
7.2使用PC软件修改分机号码........................................................................................88
7.3使用PC软件开通关闭电脑话务员值班方式............................................................89
7.4使用PC软件设置外线总机........................................................................................90
7.5.1设置分机出局方式...........................................................................................91
7.5.2设置系统出局号...............................................................................................92
7.6使用PC软件设置分机拨外线的中继分组................................................................93
7.7使用PC软件设置外线打进指定分机响铃................................................................93
7.8使用PC软件设置专线专用........................................................................................94
7.9使用PC软件设置长途自动加拨IP...........................................................................94
第八章编程指令集....................................................................................................................97
第九章总机设置代码表..........................................................................................................119
8
第十章分机操作代码表..........................................................................................................121
第十一章保修卡......................................................................................................................12
国威GW2000(2)电话交换机软件登录
1. 从随机的安装光盘上安装程控交换机管理软件。
2. 使用1根网线连接程控交换机LAN口到管理电脑网口。
3. 程控交换机出厂默认IP为192.168.123.249,设置管理电脑IP与程控交换机IP在相同网段,如
192.168.123.100。
4. 双击“HB国威话务管理系统”软件图标,打开管理系统用户登录界面。
操作员工号:001
登录密码:admin
国威GW2000(2)电话交换机配置说明
资料下载
在线报价格
RELATED PRODUCTS